Задний фон шапки сайта

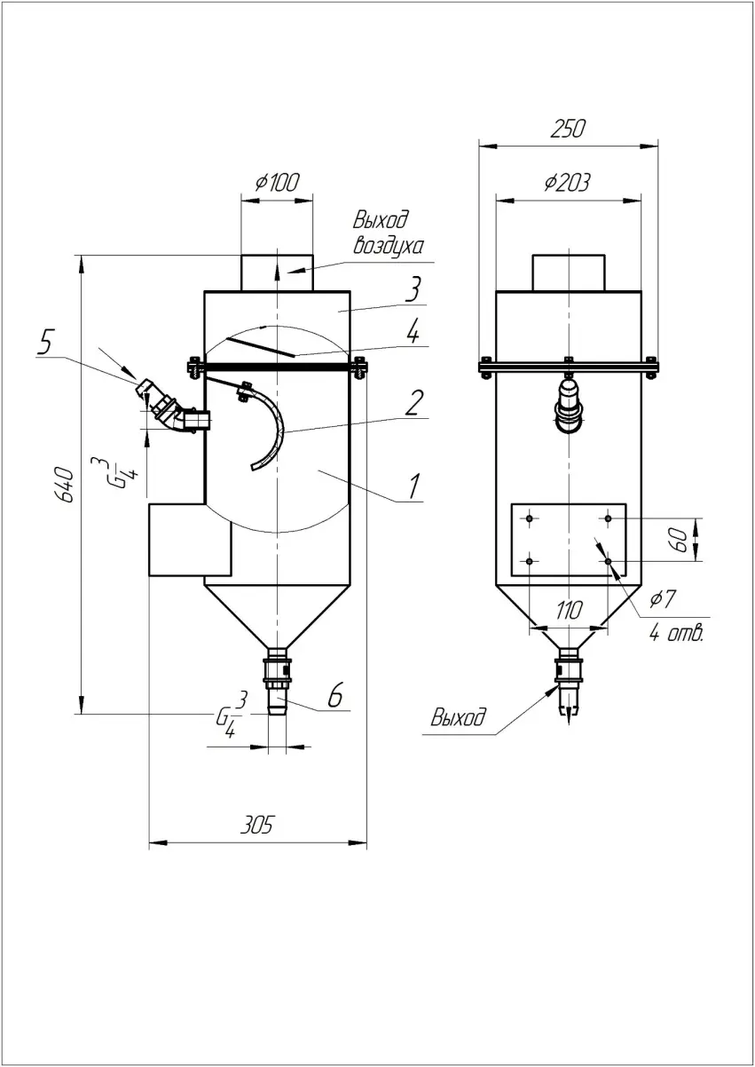
БПД-2

БПД-2

Блок приема проб БПД-2 предназначен для приёма и отделения поступившей пробы от транспортирующего воздуха (деаэрация пробы)

Принцип действия

Доставляемая на анализ проба и транспортирующий сжатый воздух попадают в блок БПД-2 через штуцер 5 и ударяются о демпфирующую перегородку 2. После чего пульпа сливается в нижнюю часть корпуса и далее выливается через штуцер 6 а транспортирующий воздух через лабиринтные перегородки 4 выходит в систему вентиляции.

Виброакустический анализатор ВАЗМ-1М

Виброакустический
анализатор ВАЗМ-1М

Виброакустический анализатор ВАЗМ−1М (далее ВАЗМ-1М) предназначен для оперативного контроля загрузки (технологической нагрузки) мельниц различного типа и другого технологического оборудования на основе комплексного анализа виброакустических сигналов и прогнозирования момента перехода мельниц (и другого оборудования) в перегрузочный режим.

Радиоизотопный преобразователь РП-24 (ПЛОТНОМЕР)

Радиоизотопный
преобразователь РП-24 (ПЛОТНОМЕР)

Радиоизотопный преобразователь РП-24 предназначен для преобразования информации о различных характеристиках объекта контроля в параметры выходного сигнала прибора путем использования результатов взаимодействия ионизирующего излучения с объектом контроля. Выпускается в общепромышленном и взрывозащищенном исполнении.

Установка ПИК-074П

Установка ПИК-074П

Гранулометр «ПИК-074П» предназначен для автоматического контроля гранулометрического состава потоков пульповых продуктов, транспортируемых по трубопроводам и желобам.

Система АСАК

Система АСАК

Основное назначение АСАК — экспрессное определение содержания: металлов (в том числе цветных и чёрных) и неметаллических элементов: кремния (), серы (), кальция () и др. Анализу подлежат предварительно высушенные и подготовленные пробы: продуктов флотации, порошковых материалов и сплавов металлургических производств.